+ 86-0523-83274900
Storz Adapter Coplex - Male Machino
In domo / Productio / Adapters / Storz Adapter Coplex - Male Machino

Storz Adapter Coplex - Male Machino

Adapter coplings sunt ad coniungere aut convertat inter diversas signa et genera caerimonias. Alioquin aliter repugnat interfaces coniungi invicem seamlessly.

Adapter coupplings includit, sed non limitatur ad: Germanica ad Storz (Male / Male), Germanica ad arbor, German Germanico sui densis, Germanica ad LABYMUS, Germanico ad Multi-dente, Storz Male ad Storz Male, Storz ad Male ad Storz Male, Storz ad Male ad Storz Female, Storz ad Male ad Storz Female, Storz ad Male Storz ad Male, Storz ad Male ad Storz Female, Storz ad arbor, etc.
Omnes genera Adapter coplevings potest customized in petitionem.

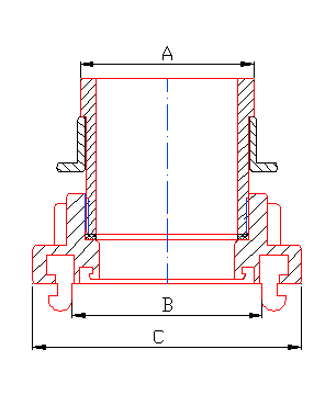
Dimensiones Opibus

Item non.

Laudate / mm

Dia

A / mm

B / mm

C / mm

/

25/40

I "/1.5"

29

53

82

25/50

I "/ II"

29

66

98

25/65

I "/2.5"

29

76

110

25/80

I "/ III"

29

89

126

40/40

1.5 "/1.5"

43.6

53

82

40/50

1.5 "/ II"

43.6

66

98

40/65

1.5 "/2.5"

43.6

76

110

40/80

1.5 "/ III"

43.6

89

126

50/50

II "/ II"

55.6

66

98

50/65

II "/2.5"

55.6

76

110

50/80

II "/ III"

55.6

89

126

65/65

2.5 "/2.5"

68.5

76

110

65/80

2.5 "/ III"

68.5

89

126

80/80

III "/ III"

81.5

89

126

* Materials et vestibulum processus potest nativus in petitionem.
* Aliis (ut opus pressura, ruptis pressura, etc) potest etiam ut customized ut opus.

Jiangsu jinding Technology ignis Donec, Ltd.
Jiangsu Jinding ignis Donec Technology Co., Ltd., in Jiang Su Xinghua Economic Development Zonam, condita in MCMXCVIII. Est industriae comitatu integrationem consilio, progressionem, productio et venditionesque. In comitatu est passed ISO9001: MMXV Quality System Certification et Product voluntarium Certification et Related Products adeptus ad inspectionem fama de National ignis apparatu qualis vigilantia et inspectionem centrum.
Societas nostra praecipue plures series productorum fabricat, inter quas sunt copulae ad ignem exstinguendum, fistulae aquariae, hydrantes ignis, copulae tuborum magni diametri, et copulae ad aquas in agris petrolei adducendas. Hae res late in protectione contra ignem, industria petrolearia, chemica, militari, aliisque industriis adhibentur.
In comitatu habet bonum independens R & D facultas et habet completum paro of productio processuum talis ut fusum vestibulum, productio processui et uber temptationis. In eodem tempore, cum momenti ad requisita customers, opportune capit foro dynamics, continue develops et producit novum products, et vincit fiducia et laudem novi et senex customers.
Societas fidam praebet Storz Adapter Coplex - Male Machino et officia professionalia in qualitatis studio et societatibus collaborativis fundata, conantes ad necessitudines cooperativas durabiles cum clientibus exstruendas.
27+

XXVII annos industria Vestibulum usus

Testimoniales
Nuntium
Lets 'habere colloquium
Just dices salve et youll 'satus a fructuosum collaboration. Satus vestri propria elit.
Opus apparatu pro negotio?
Fiat nostrum Team providebit vos cum consuetudo solutions.