+ 86-0523-83274900
Storz filo coupling-parva

Storz filo coupling-parva

Storz fila cooperantur pertinet ad Storz coupling seriem cum uno fine featuring est internum externum filum et alia finis habens Storz-genus coitus.
Hoc iugo ad usus est Iungo ignis exercituum et Firefighting Equipment (Ut ignis exhaures, ignis exercituum et ignis hydrantium).
Range Parvus magnitudo productio est 20-65.

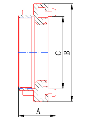
Dimensiones Opibus

Item non.

Laudate / mm

Dia

A / mm

B / mm

C / mm

Ky-m

Ky-f

25

I "

39.7

55

31

40

1.5 "

39.5

79

52

50

II "

52

98

66

65

2.5 "

52

118

81

80

III "

55

126

89

100

IV "

60

156

115

110

大 IV "

63

182

133

125

V «

66

196

148

150

VI "

80

215

160

* Materials et vestibulum processus potest nativus in petitionem.
* Aliis (ut opus pressura, ruptis pressura, etc) potest etiam ut customized ut opus.

Jiangsu jinding Technology ignis Donec, Ltd.
Jiangsu Jinding ignis Donec Technology Co., Ltd., in Jiang Su Xinghua Economic Development Zonam, condita in MCMXCVIII. Est industriae comitatu integrationem consilio, progressionem, productio et venditionesque. In comitatu est passed ISO9001: MMXV Quality System Certification et Product voluntarium Certification et Related Products adeptus ad inspectionem fama de National ignis apparatu qualis vigilantia et inspectionem centrum.
Societas nostra praecipue plures series productorum fabricat, inter quas sunt copulae ad ignem exstinguendum, fistulae aquariae, hydrantes ignis, copulae tuborum magni diametri, et copulae ad aquas in agris petrolei adducendas. Hae res late in protectione contra ignem, industria petrolearia, chemica, militari, aliisque industriis adhibentur.
In comitatu habet bonum independens R & D facultas et habet completum paro of productio processuum talis ut fusum vestibulum, productio processui et uber temptationis. In eodem tempore, cum momenti ad requisita customers, opportune capit foro dynamics, continue develops et producit novum products, et vincit fiducia et laudem novi et senex customers.
Societas fidam praebet Storz filo coupling-parva et officia professionalia in qualitatis studio et societatibus collaborativis fundata, conantes ad necessitudines cooperativas durabiles cum clientibus exstruendas.
27+

XXVII annos industria Vestibulum usus

Testimoniales
Nuntium
Lets 'habere colloquium
Just dices salve et youll 'satus a fructuosum collaboration. Satus vestri propria elit.
Opus apparatu pro negotio?
Fiat nostrum Team providebit vos cum consuetudo solutions.