+ 86-0523-83274900
Storz profeci, profeci fila coupling
In domo / Productio / Vexillum coilaings / Maxime coplings / Storz densis councus / Storz profeci, profeci fila coupling

Storz profeci, profeci fila coupling

Storz sera fila coitus pertinet ad storz coupling seriem cum finis featuring est internum externum filum et alia finis habens storz obfirmatis densis.
Hoc iugo ad usus est Iungo ignis exercituum et Firefighting Equipment (Ut ignis exhaures, ignis exercituum et ignis hydrantium).
Haec series est praesertim available in magnis magnitudinum, dum minor magnitudinum potest esse customized in petitionem.

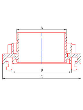
Dimensiones Opibus

Item non.

Laudate / mm

Dia

A / mm

B / mm

C / mm

/

100

IV "

M100 * III

115

156

125

V «

M125 * III

148

196

150

VI "

M145 * III

160

215

200

VIII "

M200 * IV

220

280

250

X "

M255 * IV

278

339

CCC (3Teeth)

XII "

M290 * IV

316

384

350

XIV "

M350 * IV

336

448

* Materials et vestibulum processus potest nativus in petitionem.
* Aliis (ut opus pressura, ruptis pressura, etc) potest etiam ut customized ut opus.

Jiangsu jinding Technology ignis Donec, Ltd.
Jiangsu Jinding ignis Donec Technology Co., Ltd., in Jiang Su Xinghua Economic Development Zonam, condita in MCMXCVIII. Est industriae comitatu integrationem consilio, progressionem, productio et venditionesque. In comitatu est passed ISO9001: MMXV Quality System Certification et Product voluntarium Certification et Related Products adeptus ad inspectionem fama de National ignis apparatu qualis vigilantia et inspectionem centrum.
Societas nostra praecipue plures series productorum fabricat, inter quas sunt copulae ad ignem exstinguendum, fistulae aquariae, hydrantes ignis, copulae tuborum magni diametri, et copulae ad aquas in agris petrolei adducendas. Hae res late in protectione contra ignem, industria petrolearia, chemica, militari, aliisque industriis adhibentur.
In comitatu habet bonum independens R & D facultas et habet completum paro of productio processuum talis ut fusum vestibulum, productio processui et uber temptationis. In eodem tempore, cum momenti ad requisita customers, opportune capit foro dynamics, continue develops et producit novum products, et vincit fiducia et laudem novi et senex customers.
Societas fidam praebet Storz profeci, profeci fila coupling et officia professionalia in qualitatis studio et societatibus collaborativis fundata, conantes ad necessitudines cooperativas durabiles cum clientibus exstruendas.
27+

XXVII annos industria Vestibulum usus

Testimoniales
Nuntium
Lets 'habere colloquium
Just dices salve et youll 'satus a fructuosum collaboration. Satus vestri propria elit.
Opus apparatu pro negotio?
Fiat nostrum Team providebit vos cum consuetudo solutions.